振动筛12年生产厂家
过滤,除杂,分级

硅微粉:
硅微粉是一种无害、无味、无污染的无机非金属材料。由于它具备耐温性好、耐酸碱腐蚀、导热性差、高绝缘、低膨胀、化学性能稳定、硬度大等优良的性能,被广泛用于化工、电子、集成电路(IC)、电器、塑料、涂料、高级油漆、橡胶、国防等领域。

硅微粉是由天然石英(SiO2)或熔融石英(天然石英经高温熔融、冷却后的非晶态SiO2)经破碎、球磨(或振动、气流磨)、浮选、酸洗提纯、高纯水处理等多道工艺加工而成的微粉。硅微粉的生产工艺中离不开振动筛分设备。


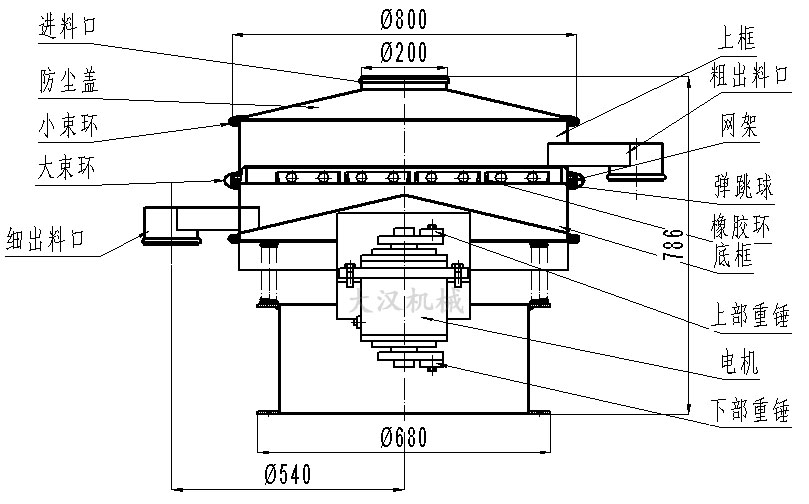
硅微粉振动筛由直立式振动电机作为激振源,电机上、下两端安装有偏心重锤,将电机的旋转运动转变为水平、垂直、倾斜的三次元运动,再把这个运动传递给筛面进行筛分。调节上、下两端的相位角,可以改变物料在筛面上的运动轨迹。
PP电子振动筛厂家可根据客户需求设计特殊型号,无论物料是干是湿,是精细是粗糙,是比重大是比重轻,0-400目都可以筛选,不管是液态,还是浆状的0-600目都可以过滤。PP电子振动筛系列产品同时配备专门的筛网清理装置,把堵网率降到低,过网率和处理精度得以有效提高。PP电子机械具备特殊型号制造的能力让顾客有更多的选择。



、派璞赣τ形榷ǖ幕。当设备安装于一般地面或水泥基础上时,可以不设置地脚螺栓。当设备安装于钢结构架台之上时,应用螺栓紧固于结构体上,而且钢结构架台应有一定的钢度。本机只需三相开关一只(备注:好使用电气控制盘),用蛇皮管穿线,将电机接至电源即可,注意电气控制盘应悬挂安装于墙上。
、粕璞赋龀耙呀竿巴祝褂霉讨械纳竿豢勺约焊。
、强,应先检查各压紧螺栓的紧固程度,及各料口的位置是否与接料器对正,并观察振动电机是否能正常转动及弹簧受力有无阻碍,检查各层筛网是否压紧。
、鹊旋振筛接入电气控制盘之前,应首先对电气控制盘进行检查。线路接通后观察振动电机旋转方向是否是顺时针方向, (备注:否则应改变相序)运转是否正常,有无异噪声。
、傻鹘谡穸缁舷缕目榈南辔唤,以适应各种物料筛分情况。

售后服务:
1.保修期内非因操作不当造成需要更换的零配件及设备由我厂负责包修、包换。
2.质量保证期结束后,我厂将继续免费提供售后服务,不限年份终身服务,仅收取零部件成本费,免收人工费,免收维修费。
服务承诺:
为了向您提供完善的售后服务,请将您的宝贵意见、建议及要求反馈给我厂。我们感谢贵单位使用我厂的产品,我厂建立有完整的营销网络及完善的售后服务体系,售后服务部已将您购买的产品建立了信息档案。如果您购买的产品出现质量问题,我们将及时为您提供全方位的服务。
Copyright ? 2007-2019 振动筛厂家-PP电子 | All Rights Reserved 版权所有
备案序号:豫ICP备09002479号-1