振动筛12年生产厂家
过滤,除杂,分级

5吨产量:
80-600目目数:
适合有静电,吸附性,轻比重的细粉物料,如3D打印材料,合金粉末,不锈钢粉,铝粉等

全国统一销售热线
免费获取报价

3D打印材料气体保护振动筛主要用于3D打印材料的回收利用,采用超声波筛分系统和惰性气体保护系统,可提高筛分效率,能避免细微粉末的吸附、团聚、产生静电等问题,降低筛网网孔堵塞,3D打印材料在筛分是不能与空气接触,因此采用本产品在筛分过程中加入惰性气体保护系统,可自动控制含氧量,防止金属粉末与空气接触,保证3D打印材料的纯度和质量。
3D打印材料气体保护振动筛除用于3D打印材料的筛分,还可用于600目内的精细敏感易产生反应的粉末类物料筛分,具体物料有金属粉末、合金粉末、钛合金、石墨粉、不锈钢粉末、铝粉、钛粉、铜粉、碳化硅、钼粉、不锈钢粉、钨粉等新型材料和3D打印材料的筛分。

加装惰性气体保护体统,避免活性物料变质
配超声波清网装置,促进物料快速过网,不堵网,可自动清网
筛分精度可提高1-70%,产量可提高0.5-10倍
进料口处法兰设计,与上端机器链接,自动化筛分
封闭式粉末回收,避免与空气接触,发生变质。

3D打印材料气体保护振动筛是将220V、50Hz或110V、60Hz电能转化为18KHz的高频电能,输入超声换能器,将其变成18KHz机械振动,物料在筛网上做低频三次元振动,叠加上超声波振动,实现高效筛分和清网的目的。

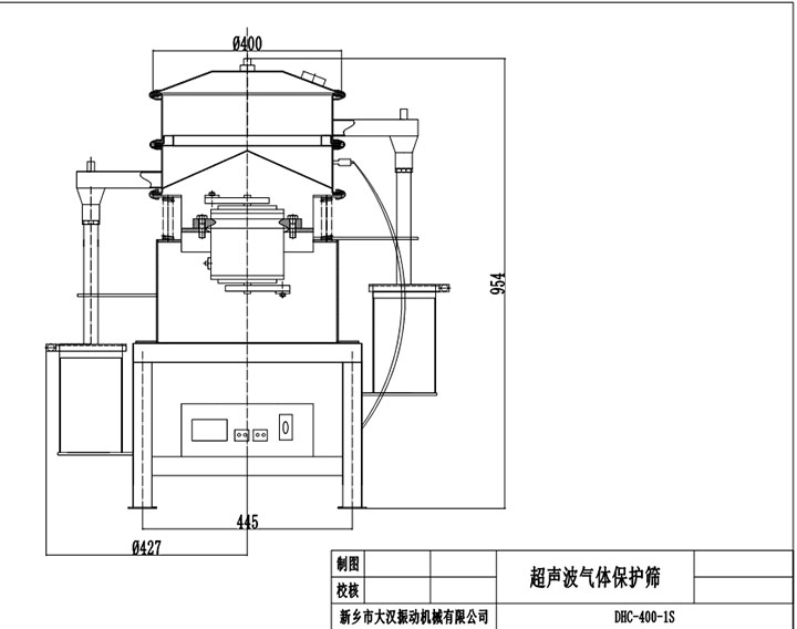
| 型 号 | 筛分面积 | 有效筛分直径 | 筛网规格 | 层数 | 振动电机功率 |
| DHC-400 | 0.0907 | 340 | 80-600目 | 1-3 | 0.18 |
| DHC-600 | 540 | 0.2289 | 0.25 | ||
| DHC-800 | 730 | 0.4183 | 0.55 | ||
| DHC-1000 | 900 | 0.6359 | 0.75 | ||
| DHC-1200 | 1100 | 0.9499 | 1.1 | ||
| DHC-1500 | 1400 | 1.5386 | 1.5 | ||
| DHC-1800 | 1700 | 2.2687 | 2.2 | ||
| DHC-2000 | 1886 | 2.7922 | 2.2 |
Copyright ? 2007-2024 振动筛厂家-PP电子 | All Rights Reserved 版权所有
备案序号:豫ICP备09002479号-1