PP电子


您的位置:首页 > 产品中心 > 三次元振动筛
小型振动筛

小型振动筛

产品类别:三次元振动筛

产品简介:小型振动筛为直径400mm的单层两个出料口振动筛,网架采用子母网分离结构,整机为碳钢材质。体积。贫奖悖鄹癖阋,适合小产量要求的客户使用。

全国统一销售热线 0373-2682 333

免费获取报价

产品介绍

 

小型振动筛简介:

小型振动筛

小型振动筛为直径400mm的单层两个出料口振动筛,网架采用子母网分离结构,整机为碳钢材质体积。贫奖悖鄹癖阋,适合小产量要求的客户使用。



小型振动筛

小型振动筛工作原理:

400型小型振动筛是由直立式振动电机作为激振源,电机上、下两端安装有偏心重锤,将电机的旋转运动转变为水平、垂直、倾斜的三次元运动,再把这个运动传递给筛面进行筛分。调节上、下两端的相位角,可以改变物料在筛面上的运动轨迹。


400型振动筛工作原理

振动筛电机调整


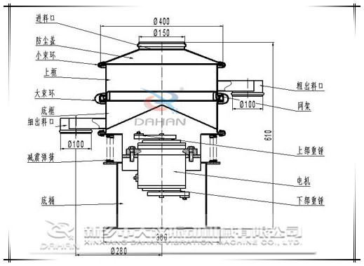
小型振动筛结构图:

400型振动筛结构图

小型振动筛技术参数:

400型振动筛技术参数


振动筛厂家PP电子机械可根据客户需求设计特殊型号,无论物料是干是湿,是精细是粗糙,是比重大是比重轻,0-400目都可以筛选,不管是液态的,还是浆状的0-600目都可以过滤。

小型振动筛


PP电子振动筛系列产品同时配备专门的筛网清理装置,把堵网率降到低,过网率和处理精度得以有效提高。PP电子机械具备特殊型号制造的能力让顾客对PP电子产品有更多的选择。

PP电子振动筛产品质量保证

PP电子振动筛厂家服务


『组织机构』 - 『企业文化』 - 『资质荣誉』 - 『联系PP电子』 - 『企业博客』豫公网安备 41070302000224号

振动筛厂家 -新乡振动筛 -直线振动筛 -气流筛 -标准试验筛 -超声波振动筛 -卧式气流筛 Xmlmap Htmlmap

Copyright ? 2007-2015 PP电子 | All Rights Reserved 备案序号:豫ICP备09002479号-1

企业法人营业执照(注册号):914107036780823532

工商注册电子标示 可信网站 360安全检测 网络警察电子标示

sitemap网站地图