PP电子

振动筛

振动筛12年生产厂家

过滤,除杂,分级

联系方式
振动筛 > 产品中心 > 1800型振动筛

1800型振动筛

类型:Φ1800型振动筛

直径:600-2000

筛网目数:2-500

筛分面积(m):0.24-3.01

有效筛面(mm):560-1960

厂家微信

厂家直销
一对一指导
上门安装
质保1年

全国统一销售热线 0373-2682 333

免费获取报价

1800型振动筛

1800型振动筛概述:

1800型振动筛为直径1800mm的两层三个出料口振动筛,子母网分离式网架,接触物料部分以及防尘盖均为304不锈钢材质,底座部分为Q235碳钢材质。

1800型振动筛

 

1800型振动筛细节?展示:

不锈钢振动筛底框振动筛底座

不锈钢振动筛网架振动筛密封条安装

 

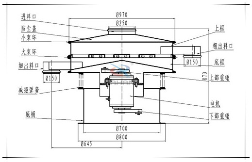
1800型振动筛结构图和参数:

振动筛结构

 

 

振动筛技术参数

 

1800型振动筛的工作原理:

不锈钢振动筛工作原理图


  振动筛由直立式振动电机作为激振源,电机上、下两端安装有偏心重锤,将电机的旋转运动转变为水平、垂直、倾斜的三次元运动,再把这个运动传递给筛面进行筛分。调节上、下两端的相位角,可以改变物料在筛面上的运动轨迹。通过改变振动电机的上下2块偏心块的夹角和质量,振动电机即可带动设备产生不同大小的振动力,从而改变水平或垂直方向的振动幅度,进而改变筛分的流量和效率。

振动电机角度调整

 

1800型振动筛使用的行业

1000型不锈钢振动筛的应用行业


  化工行业:树脂、涂料、工业药品、化妆品、油漆、中药粉等。

  食品行业:糖粉、淀粉、食盐、米粉、奶粉、豆浆、蛋粉、酱油、果汁等。

  金属、冶金矿业:铝粉、铅粉、铜粉、矿石、合金粉、焊条粉末、二氧化锰、电解铜粉、电磁性材料、研磨粉、耐火材料、高岭土、石灰、氧化铝、重质碳酸钙、石英砂等。

  公害处理:废油、废水、染整废水、助剂、活性碳等。

1800型振动筛的安装与调试:

 。ㄒ唬┥璞赣τ形榷ǖ幕。当设备安装于一般地面或水泥基础上时,可以不设置地脚螺栓。当设备安装于钢结构架台之上时,应用螺栓紧固于结构体上,而且钢结构架台应有一定的钢度。

  本机只需三相开关一只(备注:好使用电气控制盘),用蛇皮管穿线,将电机接至电源即可,注意电气控制盘应悬挂安装于墙上。

  (二)设备出厂前已将筛网装妥,使用过程中的筛网更换可自己更换。

  (三)开机前,应先检查各压紧螺栓的紧固程度,及各料口的位置是否与接料器对正,并观察振动电机是否能正常转动及弹簧受力有无阻碍,检查各层筛网是否压紧。

  (四)当旋振筛接入电气控制盘之前,应首先对电气控制盘进行检查。线路接通后观察振动电机旋转方向是否是顺时针方向, (备注:否则应改变相序)运转是否正常,有无异噪声。

  (五)调节振动电机上下偏心块的相位角,以适应各种物料筛分情况。

售后服务:

  1.保修期内非因操作不当造成需要更换的零配件及设备由我厂负责包修、包换。

  2.质量保证期结束后,我厂将继续免费提供售后服务,不限年份终身服务,仅收取零部件成本费,免收人工费,免收维修费。

服务承?诺:

  为了向您提供完善的售后服务,请将您的宝贵意见、建议及要求反馈给我厂。我们感谢贵单位使用我厂的产品,我厂建立有完整的营销网络及完善的售后服务体系,售后服务部已将您购买的产品建立了信息档案。如果您购买的产品出现质量问题,我们将及时为您提供全方位的服务。

 

sitemap网站地图