振动筛12年生产厂家
过滤,除杂,分级

1.1功率kw:
380电压(v):
<10入料粒度(mm):
筛分行业:化工,食品,金属,公害处理等

全国统一销售热线
免费获取报价

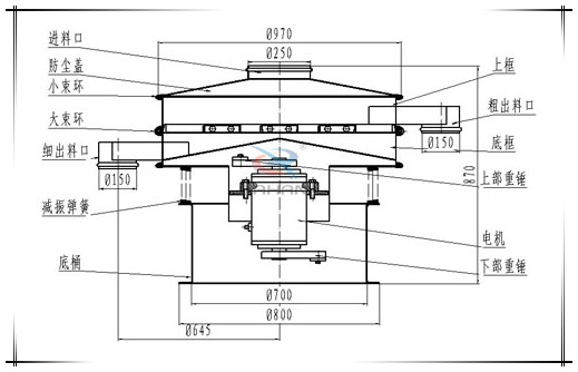
DH-1200型不锈钢振动筛为1200mm直径两层三个出料口不锈钢旋振筛,子母网分离式网架,底座为碳钢材质。

关于“振动筛”:这个名称是所有振动筛分设备类产品的总称,确切点讲这种圆形的振动筛也叫“旋振筛”,由于其振动运转原理很多企业也称之为“三次元振动筛分过滤机”。
关于“PP电子牌振动筛”:"PP电子"DH系列振动筛产品,经客户多年使用,获得大量的一线反馈建议,在自有成熟的筛机制造技术基础上,PP电子机械工程师以满足客户需求为标准,多次技术改进,筛分效果更加优越,采用"通用"新型动力激振器,三维动力更加突出,适用范围更加广泛,PP电子机械公司可根据客户需求设计特殊型号,无论物料是干是湿,是精细是粗糙,是比重大是比重轻,0-400目都可以筛。还苁且禾,还是浆状的0-600目都可以过滤。"PP电子"旋振筛系列产品同时配备专门的筛网清理装置,把堵网率降到低,过网率和处理精度得以有效提高。"PP电子"具备特殊型号制造的能力让顾客对"PP电子"有更多的选择。

☆ 效率高、设计精巧耐用,粉类、粘液均可筛分。
☆ 换网容易、操作简单、清洗方便。
☆ 网孔不堵塞、粉末不飞扬、可筛至400目或0.028mm。
☆ 杂质、粗料自动排出,可以连续作业。

振动筛用与原理:基本原理由直立式振动电机作为激振源,电机上、下两端安装有偏心重锤,将电机的旋转运动转变为水平、垂直、倾斜的三次元运动,再把这个运动传递给筛面。调节上、下两端的相位角,可以改变物料在筛面上的运动轨迹。

|
型 号 |
DH-600 |
DH-800 |
DH-1000 |
DH-1200 |
DH-1500 |
DH-1800 |
DH-2000 |
|
直径mm |
Φ600 |
Φ800 |
Φ1000 |
Φ1200 |
Φ1500 |
Φ1800 |
Φ2000 |
|
筛网面积m |
0.24 |
0.45 |
0.67 |
1.0 |
1.6 |
2.43 |
3.01 |
|
筛网规格(目) |
2-500 |
||||||
|
进料粒度mm |
<Φ10 |
<Φ15 |
<Φ20 |
<Φ30 |
|||
|
振次rpm |
1500 |
1500 |
1500 |
1500 |
1500 |
1500 |
1500 |
|
有效筛面直mm |
Φ560 |
Φ760 |
Φ930 |
Φ1130 |
Φ1430 |
Φ1760 |
Φ1960 |
|
层数 |
1-5 |
||||||
|
功率Kw |
0.25 |
0.55 |
0.75 |
1.1 |
1.5 |
2.2 |
3 |

化工行业:树脂、涂料、工业药品、化妆品、油漆、中药粉等。
食品行业:糖粉、淀粉、食盐、米粉、奶粉、豆浆、蛋粉、酱油、果汁等。
金属、冶金矿业:铝粉、铅粉、铜粉、矿石、合金粉、焊条粉末、二氧化锰、电解铜粉、电磁性材料、研磨粉、耐火材料、高岭土、石灰、氧化铝、重质碳酸钙、石英砂等。
公害处理:废油、废水、染整废水、助剂、活性碳等。


Copyright ? 2007-2019 振动筛厂家-PP电子 | All Rights Reserved 版权所有
备案序号:豫ICP备09002479号-1